Zubehör
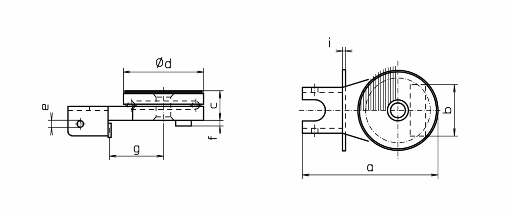
Drehschemel
Für Kurvenfahrten mit der Baureihe N werden Drehschemel verwendet. Hierzu wird der Drehschemel auf dem Wälzwagen aufgesetzt und mit Hilfe einer separat erhältlichen Lenkstange kann der Wälzwagen während der Bewegung unter Last gedreht werden. Der Lenkradius beträgt hierbei mindestens 3 m.
| Größe | a | b | c | Ø d | e | f | g | i | Gewicht kg |
|---|---|---|---|---|---|---|---|---|---|
| I | 220 | 73 | 42 | 130 | 11 | 8 | 87 | 5 | 4,5 |
| II | 220 | 86 | 42 | 130 | 11 | 8 | 87 | 5 | 4,5 |
| III | 250 | 96 | 48 | 150 | 11 | 8 | 108 | 5 | 6,7 |
| IV | 275 | 114 | 61 | 190 | 3 | 165 | 11 | 13,7 | |
| V | 360 | 128 | 61 | 220 | 3 | 235 | 11 | 18,9 |
Ausgleichstück
| Größe | a | b | c | d | f | g | i | Gewicht kg |
|---|---|---|---|---|---|---|---|---|
| I | 149 | 73 | 42 | 120 | 8 | 87 | 5 | 3,7 |
| II | 149 | 86 | 42 | 120 | 8 | 87 | 5 | 3,7 |
| III | 178 | 96 | 48 | 130 | 8 | 108 | 5 | 5,3 |
| IV | 270 | 114 | 61 | 180 | 3 | 165 | 11 | 13,8 |
| V | 350 | 128 | 61 | 200 | 3 | 235 | 11 | 18,8 |
Lenkstange
Die Lenkstange wird bei den Baugrößen I – III an den Drehschemel geschraubt. Bei den größeren Baugrößen IV – V wird die Lenkstange direkt am Wälzwagen befestigt.
Beratung
Interessieren Sie sich für unsere Produkte oder benötigen Beratung?
Wir sind gerne für Sie da.