Modell SL – S, K, S/P
Anwendungsbereiche
- für Lastenbewegung mit Geschwindigkeiten bis max. 100 m/min
- für Drehbewegungen
Hauptmerkmale
- solide Vollstahlkonstruktion der selbstlenkenden Aufhängung
- Kombinierbarkeit mit anderen Aufhängungen
- Test nach DIN 4422 beim Materialprüfungsamt bestanden für SL 150 S + SL 150 K
Gebrauchshinweise
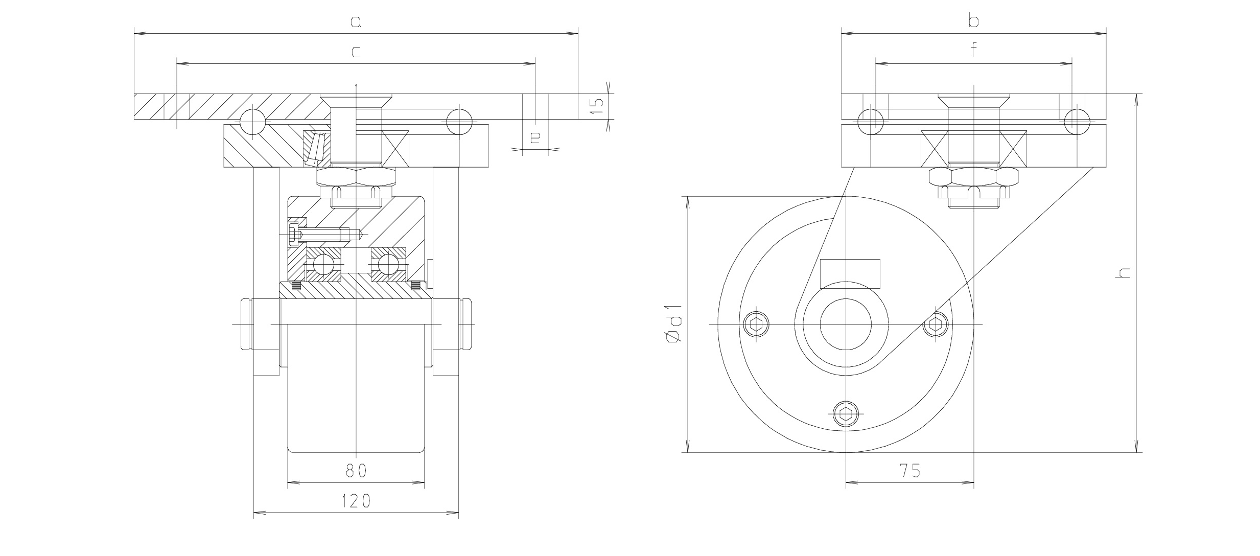
Baureihe SL-S, SL-K
| Größe | a | b | c | ∅d1 | ∅e | f | g | h | j | passend hierzu: Baureihe | Tragkraft (KN) | Gewicht (kg) |
||||
|---|---|---|---|---|---|---|---|---|---|---|---|---|---|---|---|---|
| Stahl | Kunststoff | S | K | S | K | |||||||||||
| SL 150 S | SL 150 K | 270 | 150 | 210 | 150 | 18 | 115 | 15 | 210 | 80 | 75 | SF | 30 | 20 | 22,7 | 16,7 |
| SL 175 S | SL 175 K | 270 | 150 | 210 | 175 | 18 | 115 | 15 | 235 | 80 | 75 | SF | 30 | 20 | 27,5 | 18,2 |
| SL 200 S | SL 200 K | 270 | 150 | 210 | 200 | 18 | 115 | 15 | 260 | 80 | 75 | SF | 30 | 30 | 32,9 | 19,8 |
Baureihe SL-S/P
| Größe | a | b | c | ∅d1 | ∅e | f | g | h | j | k | passend hierzu: Baureihe | Tragkraft (KN) | Gewicht (kg) |
|||
|---|---|---|---|---|---|---|---|---|---|---|---|---|---|---|---|---|
| Stahl | ||||||||||||||||
| SL 150 S/P | 270 | 170 | 220 | 150 | 18 | 130 | 20 | 220 | 80 | 130 | 80 | SF | 50 | 22,9 | ||
| SL 175 S/P | 270 | 170 | 220 | 175 | 18 | 130 | 20 | 245 | 80 | 130 | 80 | SF | 50 | 27,7 | ||
| SL 200 S/P | 270 | 170 | 220 | 200 | 18 | 130 | 20 | 285 | 80 | 130 | 80 | SF | 60 | 33,1 | ||
Beratung
Interessieren Sie sich für unsere Produkte oder benötigen Beratung?
Wir sind gerne für Sie da.