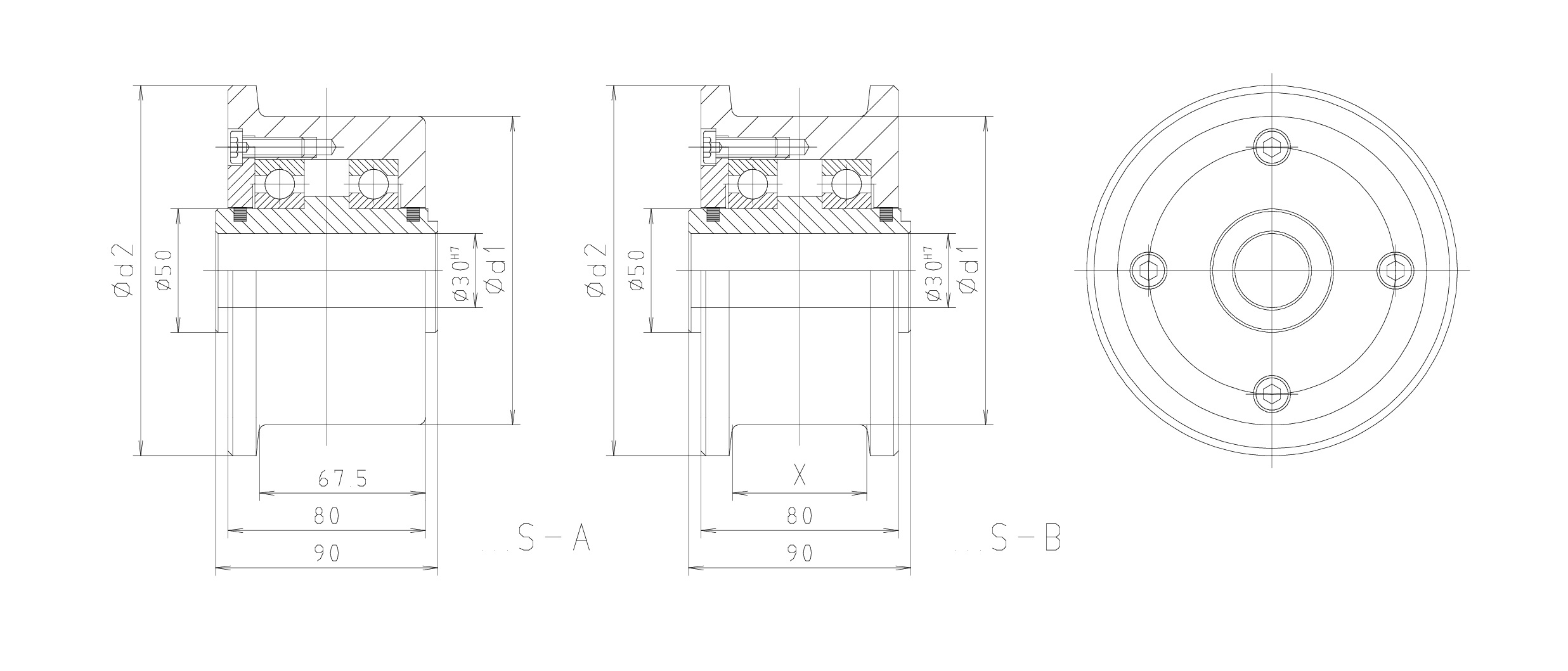
Modell S-A(B), S-A(B)/P
Anwendungsbereiche
- zum Fahren auf Profilen (Trägern/Schienen)
- als Maschinenelemente einsetzbar
- für Lastenbewegung mit Geschwindigkeiten bis max. 100 m/min
- mit einem Spurkranz (=A) oder mit zwei Spurkränzen (=B)
- maximale Distanz zwischen zwei Spurkränzen x = 55 mm beim Serienrad
Hauptmerkmale
- solide, Vollstahlkonstruktion mit Rillenkugellagern (S) bzw. Pendelrollenlagern (S/P)
- auch als Bockrolle lieferbar
- Sonderkonstruktionen auf Kundenwunsch
Gebrauchshinweise
- wartungsfreie Konstruktion, die besonders in Maschinenfabriken zum Einsatz kommt
- engere Distanzen zwischen den Spurkränzen auf Wunsch, Distanzen > 55 mm auf Anfrage
- kombinationsfähig zu Bockrollen
- Radkörper kann gegen Aufpreis vergütet werden, ist bei der Baureihe S/P Standard ohne Aufpreis
Modell S-A(B), S-A(B)/P
| Mod. | a | b | c | Ø d1 | Ø d2 | Ø d3 | Ø d4 | x max | passend hierzu: Aufhängungen der Baureihe | Tragkraft (kN) | Gew.(kg) | |||
|---|---|---|---|---|---|---|---|---|---|---|---|---|---|---|
| 1 Spurkranz | 2 Spurkränze | A | B | |||||||||||
| 125 S-A | 125 S-B | 80 | 90 | 67,5 | 125 | 150 | 30 | 50 | 55 | SF..S-A(B) | 20 | 7,5 | 7,9 | |
| 150 S-A | 150 S-B | 80 | 90 | 67,5 | 150 | 175 | 30 | 50 | 55 | SF..S-A(B) | 25 | 10,2 | 10,7 | |
| 175 S-A | 175 S-B | 80 | 90 | 67,5 | 175 | 200 | 30 | 50 | 55 | SF..S-A(B) | 30 | 14,1 | 14,7 | |
| 200 S-A | 200 S-B | 80 | 90 | 67,5 | 200 | 225 | 30 | 50 | 55 | SF..S-A(B) | 30 | 18,7 | 19,4 |
Modell S-A(B), S-A(B)/P
| Mod. | a | b | c | Ø d1 | Ø d2 | Ø d3 | Ø d4 | x max | passend hierzu: Aufhängungen der Baureihe | Tragkraft (kN) | Gew.(kg) | ||
|---|---|---|---|---|---|---|---|---|---|---|---|---|---|
| 1 Spurkranz | 2 Spurkränze | A | B | ||||||||||
| 150 S-A/P | 150 S-B/P | 80 | 90 | 67,5 | 150 | 150 | 30 | 50 | 55 | SF..S-A(B)/P | 40 | 10,4 | 10,9 |
| 175 S-A/P | 175 S-B/P | 80 | 90 | 67,5 | 175 | 175 | 30 | 50 | 55 | SF..S-A(B)/P | 40 | 14,3 | 14,9 |
| 200 S-A/P | 200 S-B/P | 80 | 90 | 67,5 | 200 | 200 | 30 | 50 | 55 | SF..S-A(B)/P | 50 | 18,9 | 19,6 |
| 225 S-A/P | 225 S-B/P | 80 | 90 | 67,5 | 225 | 225 | 30 | 50 | 55 | SF..S-A(B)/P | 50 | 24,3 | 25,1 |
| 250 S-A/P | 250 S-B/P | 80 | 90 | 67,5 | 250 | 225 | 30 | 50 | 55 | SF..S-A(B)/P | 65 | 30,3 | 31,1 |
Beratung
Interessieren Sie sich für unsere Produkte oder benötigen Beratung?
Wir sind gerne für Sie da.