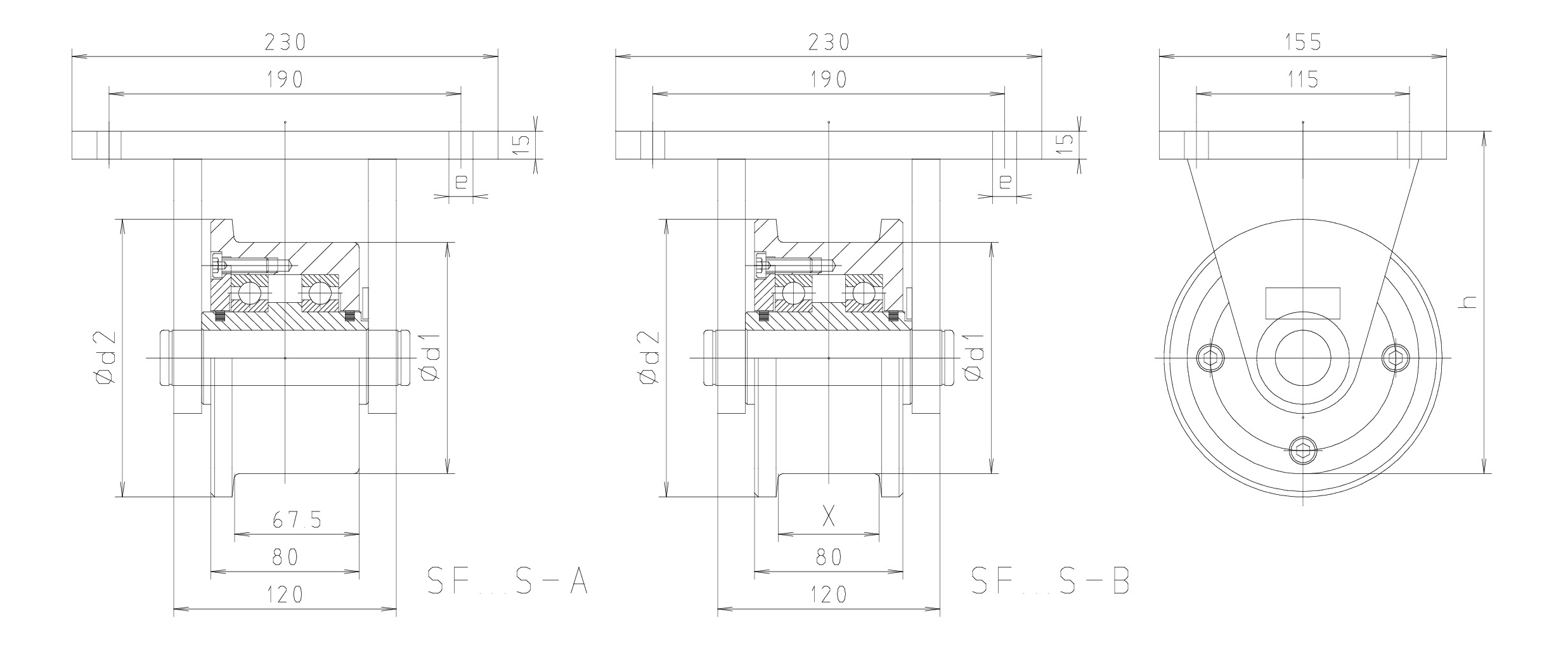
Modell SF – S-A(B), SF – S-A(B)/P
Anwendungsbereiche
- für Lastenbewegung mit Geschwindigkeiten bis max. 100 m/min
- Spurkranzräder für den Einsatz auf Profilen
- häufiger Einsatz an Baustellen
- häufige Verwendung in Maschinenfabriken
Hauptmerkmale
- solide Vollstahlkonstruktion der feststehenden Aufhängung
- Bohrbild kann nach Kundenwunsch ausgeführt werden
Gebrauchshinweise
Baureihe SF-S-A(B)
| Größe | a | b | c | ∅d1 | ∅d2 | ∅e | f | g | h | j | k | m | X max. | passend hierzu: Baureihe | Tragkraft (KN) | Gewicht (kg) |
||
|---|---|---|---|---|---|---|---|---|---|---|---|---|---|---|---|---|---|---|
| 1 Spurkranz | 2 Spurkränze | A | B | |||||||||||||||
| SF 125 S-A | SF 125 S-B | 220 | 150 | 190 | 125 | 150 | 14 | 115 | 15 | 180 | 80 | 120 | 67,5 | 55 | SF | 20 | 14,5 | 14,9 |
| SF 150 S-A | SF 150 S-B | 220 | 150 | 190 | 150 | 175 | 14 | 115 | 15 | 210 | 80 | 120 | 67,5 | 55 | SF | 25 | 17,2 | 17,7 |
| SF 175 S-A | SF 175 S-B | 220 | 150 | 190 | 175 | 200 | 14 | 115 | 15 | 235 | 80 | 120 | 67,5 | 55 | SF | 30 | 21,9 | 22,5 |
| SF 200 S-A | SF 200 S-B | 220 | 150 | 190 | 200 | 225 | 14 | 115 | 15 | 260 | 80 | 120 | 67,5 | 55 | SF | 30 | 27,3 | 28,0 |
Baureihe SF-S-A(B)/P
| Größe | a | b | c | ∅d1 | ∅d2 | ∅e | f | g | h | j | k | m | X max. | passend hierzu: Baureihe | Tragkraft (KN) | Gewicht (kg) |
||
|---|---|---|---|---|---|---|---|---|---|---|---|---|---|---|---|---|---|---|
| 1 Spurkranz | 2 Spurkränze | A | B | |||||||||||||||
| SF 150 S-A/P | SF 150 S-B/P | 220 | 170 | 180 | 150 | 175 | 18 | 130 | 20 | 195 | 80 | 130 | 67,5 | 55 | SF | 40 | 17,4 | 17,9 |
| SF 175 S-A/P | SF 175 S-B/P | 220 | 170 | 180 | 175 | 200 | 18 | 130 | 20 | 220 | 80 | 130 | 67,5 | 55 | SF | 40 | 22,1 | 22,7 |
| SF 200 S-A/P | SF 200 S-B/P | 220 | 170 | 180 | 200 | 225 | 18 | 130 | 20 | 245 | 80 | 130 | 67,5 | 55 | SF | 50 | 27,5 | 28,2 |
| SF 225 S-A/P | SF 225 S-B/P | 220 | 170 | 180 | 225 | 275 | 18 | 130 | 20 | 285 | 80 | 130 | 67,5 | 55 | SF | 50 | 33,7 | 34,5 |
| SF 250 S-A/P | SF 250 S-B/P | 270 | 170 | 180 | 250 | 300 | 18 | 160 | 20 | 310 | 80 | 130 | 67,5 | 55 | SF | 65 | 42,9 | 43,7 |
Beratung
Interessieren Sie sich für unsere Produkte oder benötigen Beratung?
Wir sind gerne für Sie da.