Modell SD – S, K, S/P
Anwendungsbereiche
- für Lastenbewegung mit Geschwindigkeiten bis max. 100 m/min
- für Drehbewegungen, die am Rad geführt werden müssen
- häufiger Einsatz an Baustellen
Hauptmerkmale
- solide Vollstahlkonstruktion der drehbaren Aufhängung
- Kombinierbarkeit mit anderen Aufhängungen
Gebrauchshinweise
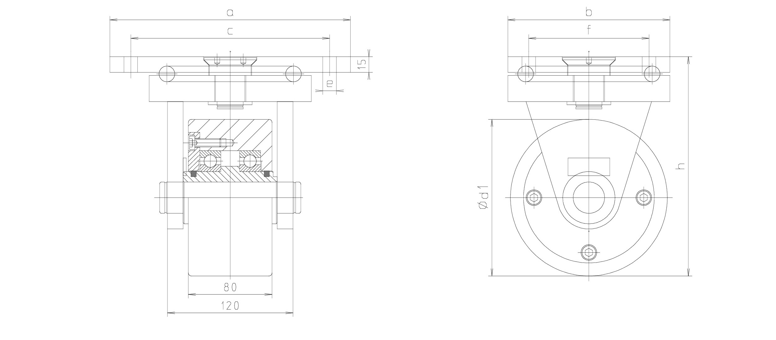
Baureihe SD-S, SD-K
| Größe | a | b | c | ∅d1 | ∅e | f | g | h | j | k | passend hierzu: Baureihe | Tragkraft (KN) | Gewicht (kg) |
||||
|---|---|---|---|---|---|---|---|---|---|---|---|---|---|---|---|---|---|
| Stahl | Kunststoff | S | K | S | K | ||||||||||||
| SD 150 S | SD 150 K | 220 | 150 | 190 | 150 | 14 | 115 | 15 | 210 | 80 | 120 | SF | 30 | 20 | 21,4 | 15,4 | |
| SD 175 S | SD 175 K | 220 | 150 | 190 | 175 | 14 | 115 | 15 | 235 | 80 | 120 | SF | 30 | 20 | 26,2 | 16,9 | |
| SD 200 S | SD 200 K | 220 | 150 | 190 | 200 | 14 | 115 | 15 | 260 | 80 | 120 | SF | 30 | 30 | 31,6 | 18,5 | |
| SD 225 S | SD 225 K | 270 | 210 | 210 | 225 | 18 | 150 | 15 | 285 | 80 | 120 | SF | 30 | 30 | 40,4 | 22,9 | |
| SD 250 S | SD 250 K | 270 | 210 | 210 | 250 | 18 | 150 | 15 | 310 | 80 | 120 | SF | 35 | 35 | 47,3 | 24,7 | |
| SD 275 S | SD 275 K | 270 | 210 | 210 | 275 | 18 | 150 | 15 | 335 | 80 | 120 | SF | 35 | 35 | 55,2 | 26,5 | |
Baureihe SD-S/P
| Größe | a | b | c | ∅d1 | ∅e | f | g | h | j | k | passend hierzu: Baureihe | Tragkraft (KN) | Gewicht (kg) |
|||
|---|---|---|---|---|---|---|---|---|---|---|---|---|---|---|---|---|
| Stahl | S | |||||||||||||||
| SD 150 S/P | 270 | 170 | 220 | 150 | 18 | 130 | 20 | 220 | 80 | 130 | SF | 50 | 21,6 | |||
| SD 175 S/P | 270 | 170 | 220 | 175 | 18 | 130 | 20 | 245 | 80 | 130 | SF | 50 | 26,4 | |||
| SD 200 S/P | 270 | 170 | 220 | 200 | 18 | 130 | 20 | 285 | 80 | 130 | SF | 50 | 31,8 | |||
Beratung
Interessieren Sie sich für unsere Produkte oder benötigen Beratung?
Wir sind gerne für Sie da.